27.11.2025 в 09:30
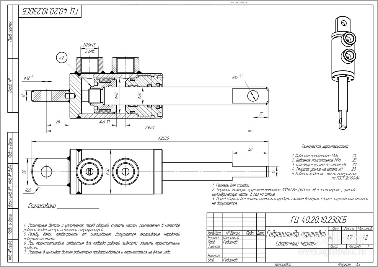
Наш завод изготавливает гидроцилиндры на европейскую и отечественную технику. Опыт работы более 10 лет. Используем только качественные материалы.
Это действие доступно только зарегистрированным на сайте пользователям.
Регистрация проста и займет пару минут.
Ваше сообщение было отправлено.
На сайте используются файлы cookie для анализа поведения пользователей и повышения качества работы ресурса. Продолжая использование сайта, вы подтверждаете своё согласие на применение cookie в соответствии с нашей политикой.