* Информация получена из открытых источников. Не является публичной офертой.

Производство рыбных кормов

14.10.2025 в 10:54

Цена: не указана
Контакты: 8 800 201-69-80, ООО ИнтерАгроСнаб

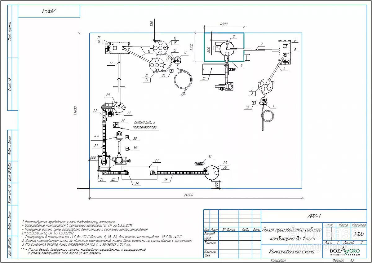
Линия ЛРК-0,5 Особенность: Однородность 98%, жирность 20% Производительность: 100-600 кг/час (1 350-1 620 т/год) Мощность: 206,64 кВт Сырьевая база: Пшеница, соя, ячмень, рыбная мука, рыбий жир, подсолнечное масло, пшеничная мука, белково-витаминный концентрат, кукурузный глютен, пшеничный глютен, соевая мука, кровяная мука/гемоглобин Готовый продукт: Гранула Габаритные размеры линии (Д*Ш*В), мм: 24000*16600*5100 Обслуживающий персонал: от 2 человек Срок изготовления: 90 дней Срок поставки: 90 дней Линия ЛРК-1 Особенность: Однородность 98%, жирность 20% Производительность: 500-1 000 кг/час (2 700 т/год) Мощность: 290,63 кВт Сырьевая база: Пшеница, соя, ячмень, рыбная мука, рыбий жир, подсолнечное масло, пшеничная мука, белково-витаминный концентрат, кукурузный глютен, пшеничный глютен, соевая мука, кровяная мука/гемоглобин Готовый продукт: Гранула Габаритные размеры линии (Д*Ш*В), мм: 24000*17600*5100 Обслуживающий персонал: от 2 человек Срок изготовления: 90 дней Срок поставки: 90 дней Пример состава линии ЛРК 1 Зернодробилка пневматическая (решетная) ДКР-3 2 Бункер для зерна БГП-2,5 Пневмо 3 Электронное весовое дозирующее устройство ЭВДУ-КПК 4 Транспортер шнековый ТШ-150/3-6 5 Просеиватель СМП-150 6 Одновальный смеситель СВГ-1000 7 Транспортер шнековый ТШ-150/3-8 8 Бункер для зерна БГП-2,5 Фасовка 9 Экструдер ЭП-90 с измельчителем 10 Охладители экструдата ОХ-1500 11 Зернодробилка пневматическая (решетная) ДКР-3 12 ДПУ-127-2 13 Шланг ?125 (1м) 14 Бункер для зерна БГП-2,5 Пневмо 15 Электронное весовое дозирующее устройство ЭВДУ-КПК 16 Транспортер шнековый ТШ-150/3-6 17 Одновальный смеситель СВГ-1000 18 Задвижка ТЗЭ-300(вг) 19 Транспортер шнековый ТШ-260/3-8 20 Бункер для зерна БД-1 (ДГ) 21 Пресс-гранулятор для комбикорма ДГ-3ВУ 22 Конвейер ленточный КЛ-С300(ОЦ)-2 23 Конвейер ленточный КЛ-С300(ОЦ)-6 24 Блок охлаждения гранул БО-2 25 Конвейер ленточный КЛ-С300(ОЦ)-4 26 Клапан перекидной КП-300Э 27 Ожириватель ВН-1 28 Конвейер ленточный КЛ-С300(ОЦ)-8 29 Бункер для зерна БГП-2,5 Фасовка 30 Дозатор ДК-3 (ВД 50С) 31 Компрессор Fubag FС 230/50 CM2 32 Парогенератор ЭПГ-50-5У(ПИД) (Нж) 33 Пульт управления ПУ-КВО-1,5 34 Пульт управления ПУ-КВО-3 36 Пульт управления ПУ-4Ф-20 37 Ротационные датчики уровня INNOLevel IL-LAA-N 38 Матрица SZLJ32B ?2 №302B (1:9,5) 39 Матрица SZLJ32B ?4 №314B (1:8) 40 Матрица SZLJ32B ?6 №329В (1:8,5) 41 Хомут червячный 140-160 42 Переходник ТШ-150 - БП-1Д 43 Переходник БГП-2,5 (БГП-3,5) - D200 44 Мягкая вставка D200 с хомутами (h=500) 45 Крышка загрузная СВГ-5 (D200) (СВГ-4) 46 Патрубок выгрузки ТЗ-300 - D200 (h=150) 47 Мягкая вставка выгрузки КЛ-С300 (h=600) 48 Хомут червячный 240-260 49 Переходник БП-1Д - ДГ-3ВУ (ДГ-5В) 50 Рама ДГ-3ВУ 51 Лоток ДГ-3ВУ - КЛ-С300 52 Мягкая вставка выгрузки КЛ-С300 (h=600)

Продавец:
Компания: ООО ИнтерАгроСнаб
Откуда: Волгоградская область